产品分类  PRODUCTS
  • 第一篇 风机箱(离心式)
一、HTFC(DT)-I、II、V 系列低噪声消防排烟(两用)风机箱
二、BF 系列低噪声变风量风机箱
三、GDF 系列低噪声离心管道风机
四、CF 系列单吸厨房排油烟风机
五、YDF 系列诱导风机
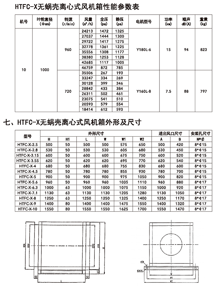
六、HTFC-X无蜗壳风机箱
  • 第二篇 轴流(混流、斜流)式风机
一、HTF(GYF)-I、II、III、D、G、IIG 系列消防排烟轴流风机
二、SWF(HLF、GXF)-I、II、H 系列高效混流风机
三、SWF-IV(HL3-2A)、HTF-PY(PYHL-14A)系列节能混流风机
四、SWF-V(SJG)系列混流风机
五、SDF 系列加压轴流风机
六、DZ 系列低噪声轴流风机
七、T35-11(T40)系列轴流风机
八、LFF 系列冷库专用风机
九、DBF 系列大型变压器专用冷却风机
十、SFZ 系列空调室外机组冷却风机
十一、DFBZ(XBDZ)系列方型壁式轴流风机
十二、DWEX 系列边墙式风机
十三、JT-LZ 系列冷却塔专用风机
  • 第三篇 屋顶通风风机
一、DWT-I 系列轴流式屋顶风机
二、DWT-II、III 系列离心式屋顶风机
三、DWT-IV 系列无电机涡轮屋顶排风机
四、RTC 系列铝制离心式屋顶风机
  • 第四篇 工业离心风机
一、4-72(B4-72)、4-79(4-2*79)离心风机
二、9-19、9-26 高压离心风机
三、G(Y)4-73 锅炉离心风机
  • 第五篇 其他类风机
一、DJF-1、SR900 系列电动脚踏两用风机
二、BLD、APB 低噪声吸顶式房间通风器及百叶窗式换气扇
三、DPT 系列直流式静音风机
  • 第六篇 风阀、风口、消声器类
一、FHF WSDc-K、PFHF WSDc-K 系列防火阀、排烟阀、排烟口、送风口
二、SFK 系列铝合金风口
三、FDJ、JG 系列风机专用减振器
四、ZP、ZG、T701-6、WX 系列风机配套消声器、ZJ静压箱
五、XK-1(2) 系列电源控制箱
  • 第七篇 风机选用及安装维护
一、风机选用参考、安装维护使用说明、常见故障分析、订货注意事项
联系我们  CONTACT US
地址:浙江省绍兴市古天乐太阳集团城入口上浦工业园区
邮编:312300
电话:0575-82366353、82366656、82367106
传真:0575-82362278
售后服务:0575-82365017
网站:www.syfengji.cn
邮箱:fengji@syfengji.cn
当前位置: 首页 >产品展示






绍兴古天乐太阳集团城入口风机销售有限公司 © 2017-2024 版权所有    浙ICP备05063606号-1